| Ганимед  - самый большой
спутник
Солнечной
системы. По размерам он превосходит Меркурий
и Плутон. Однако,
Меркурий более чем в два раза перевешивает Ганимед. Делайте вывод о соотношении
плотностей этих небесных
тел. Плутон в 10 с лишним раз легче Ганимеда и при другой судьбе мог
бы оказаться спутником планеты Ганимед. | 
|   Снимок Ганимеда, сделанный "Вояджером".
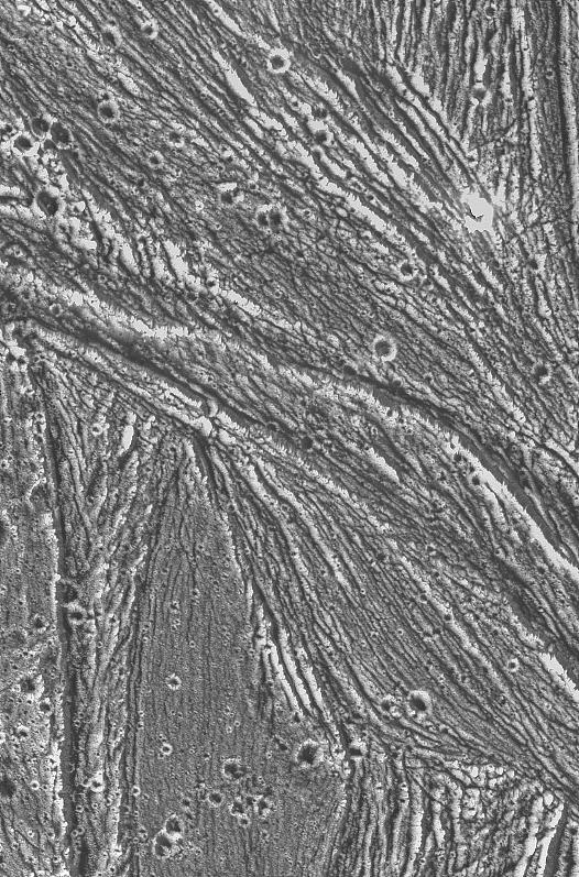
 |   Покрытая разломами местность на
Ганимеде. (Север - верх изображения).  Виден двенадцатикилометровый
кратер,
образовавшийся на этих разломах. Размер  изображенной местности -
49
на 41 километр.
Разрешение
- 200 метров. Снимок  получен 6 сентября 1996-го года
АМС
"Галилео".
 | 
|   Компьютерная модель ландшафта на
поверхности спутника (по снимкам "Галилео").
 |   Цветное изображение Ганимеда (по
снимкам "Вояджеров").
 | 
|   Наблюдения с помощью NIMS
кратера Мелкар на Ганимеде 1997-го года. Вверху представлено изображение
кратера Мелкар,  соответствующее  длине волны 0,85 микрона (микрон=10-6
м).  Мельчайшие детали, которые можно рассмотреть на снимке имеют
размер 30 км. Наиболее интересными представляются два  концентрических 
кольцевых образования и центральный пик. Слева эти  кольца погружены 
в  тень,  а справа - освещены Солнцем. Чтобы понять, как эти
кольца образовались,  нужно представить себе своеобразный пруд, в
котором вместо воды - лед. Этот  пруд, как бы покрывался бегущими
волнами из центра, участки поверхности то  поднимались, то опускались,
когда метеорит ударился о  поверхность. Расходящиеся круговые волны
во льду и образовали Мелкар. Возможно, прародителем  его  был
астероид
или комета. Этот кратер
схож с крупными лунными кратерами.
 График, приведенный внизу, отображает
зависимость  отражательной способности дна кратера от длины волны
излучения. По оси абсцисс отложена длина волны, в микронах.
 Водяной лед активно  поглощает
волны 1,5-2 микрона длиной, и его присутствие на поверхности  очевидно.
После 3-х микрон интенсивность отражения возрастает, что, видимо, 
связано  с тепловым излучением Ганимеда. 
 Общий вид этого спектра позволил
ученым  предположить, что поверхность самого большого спутника Юпитера
состоит из  смеси льда и горных пород. Лед является наиболее ярким
на  поверхности  в  видимых лучах. | 
|  |  | 
| Снимки "Галилео" 27-го
июня 1996-го года. В этот день "Галилео" пролетал
в непосредственной близости от спутника.
 | 
|   Снимок
сделан с расстояния 7 448 км. Видны гребни гор, кратеры и 
относительно гладкие участки поверхности в области  Uruk  Sulcus 
(это на латыни; не владеем, перевода, увы нет).
 |   Снимок сделан с расстояния 7
448 км. Он показывает, насколько увеличилось качество космических
фотографий со времен "Вояджеров". Левое изображение получено "Вояджером
2", и разрешение на нем  составляет 1,3 км. 
Более новое фото демонстрирует  увеличение  разрешения в 
17,5  раза (74 метра).
 | 
|   Мозаика из 4-х снимков района Uruk
Sulcus на Ганимеде. Эта область является частью того участка поверхности,
которую снял "Вояджер 2"  в  1979-м году
(нечеткий фон). Снимок сделан с расстояния 7 448 км.
 |   Местность со смешанным рельефом,
виден большой ударный  кратер (Uruk Sulcus).
 | 
|   Этот часть области Ганимеда, названной
в честь  самого  Галилея.  Она расположена на стороне Ганимеда,
обращенной к Юпитеру. Расстояние до спутника в момент получения снимка
- 7 652 км.
 |   С расстояния 7 563 км "Галилео" 
запечатлел  древний  ударный  кратер (слева на самой границе
снимка), возраст которого оценивается в несколько миллиардов лет.
 | 
|  |  | 
|   29 марта 1998-го года с расстояния
918 000 километров "Галилео" сделал этот снимок Ганимеда. Снимок так красив,
что жаль портить его какими-либо комментариями. :э)
 |   На снимке, полуученом 20-го мая
2000-го года, видно разделение между светлым участком поверхности Harpagia
Sulcus и темным - Nicholson Regio. Светлый участок более молод и почти
не подвергался метеоритной бомбардировке.
 Разрешение снимка 20-120 м. Протяженность
заснятой части поверхности √ 25 км. Съемка проходила с расстояния 2000
км.
  Это
стереоизображение, поэтому рассматривать его стоит через специальные очки
с синим и красным стеклами.
 |